ALPOLEN 1000 U ZİNCİR KIZAKLARI / ROLLER CHAIN GUIDES
                                
                                Yorum Yap / Yorumları Oku
                            
                                                            
                                        0,00 TL
                                    
                                                                    Kategori
                                        
                                    Stok Kodu
                                        207 0U0 038
                                    Menşei
                                        TÜRKİYE
                                    Garanti Süresi
                                        24 Ay
                                    
                                                                                            Fiyat
                                                                                    
                                        0,00 TL + KDV
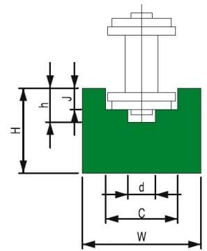
                                    Alpolen 1000 "U" model tek sıra zincir kızakları standart hatveli zincirlerin yataklanması için üretilir. Çekme profillere göre mekanik özellikleri daha yüksektir çünkü plastik döküm plakalarıyla özel üretilir. Standart boyları 2000 mm olup genellikle renkleri alpolen UHMW 1000 yeşilidir. Başta gıda işleme sanayi (ambalaj, paketleme ve konveyör hatlarında) ahşap işleme, plastik makineleri, tekstil makineleri, matbaa makineleri, mermer işleme vb. sektörlerinde kullanılır.
	Alpolen uhmw 1000 profiller sürtünme ve kaydırma gereken yerlerde doğru yataklamayı sağlayan ürünlerdir. Burada dikkat edilmesi gereken mühendislik ölçütünün her kaygan ürünün sürtünmeye olan dayanımının olmamasıdır. Genelde kabul gören yanlış fikir; kaygan olan malzemelerin sürtünmeye dayanıklı olduğu yönündeki bilgidir. UHMW PE 1000 (ultra high molecular weight polyethylene) moleküler ağırlığı artırılmış olup buna mukabil sürtünmeye dayanım, kayganlık, son derece düşük sıcaklıkta çalışabilme (-40 ºC), yüksek kimyasal direnç,yapışmama özelliği gibi önemli özellikleri de bünyesinde barındırır.
 
Genel Tanıtım Videolarımız
			
Alpolen 1000 UHMW ve Kestamid Arasındaki Farklar
			
			
			
			
Alpolen 1000 UHMW Zincir Kızaklarımız
						
						  
					
					  
 
					
Alpolen 1000 UHMW Uygulama alanları
					  
					
					
					  
  
  
 
					
Alpolen 1000 UHMW, PE YY ve Teflon(PTFE) arasındaki temel farklar
					
					  
					
					  
 
					
					
Alpolen 1000 UHMW Uygulama Örneklerim Makinelerde zincir ve kayış gergi sistemlerinin kullanımı
					  
					
					
					  
  
					
					
Makine ve Konveyörlerde Balık Sırtı Profillerinin kullanımı
					  
					
					
					
Alpolen 1000 UHMW ve Kestamid Arasındaki Farklar
Alpolen 1000 UHMW Zincir Kızaklarımız
Alpolen 1000 UHMW Uygulama alanları
Alpolen 1000 UHMW, PE YY ve Teflon(PTFE) arasındaki temel farklar
Alpolen 1000 UHMW Uygulama Örneklerim Makinelerde zincir ve kayış gergi sistemlerinin kullanımı
Makine ve Konveyörlerde Balık Sırtı Profillerinin kullanımı
                    Bu ürüne ilk yorumu siz yapın!
                
            
                        Tavsiye Ürünler
                    
                     
                             
                                                     
                                                     
                                                                             
                             
                             
                             
                             
                             
                             
                             
                             
                            