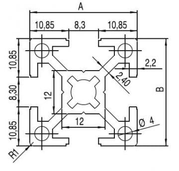
30*30 ELOKSALLI SİGMA ALÜMİNYUM PROFİL/30*30 SILVER ANODIZED ALUMINIUM PROFILE
Yorum Yap / Yorumları Oku
0,00 TL
Stok Kodu
765 030 030
Menşei
TÜRKİYE
Garanti Süresi
24 Ay
Fiyat
0,00 TL + KDV
Havale
0,00 TL
(%4,00 havale indirimi)
Alüminyum profiller makine ve konveyör karkasları oluşturmak için lego gibi bağlantı elemanları ile kaynak gerektirmeyen hazır (boyanmış ve kaplanmış) profil ve parçalardır. Alüminyum profil normal kutu profile göre %30 daha pahalı olmasına rağmen toplamda işçilik, zaman gibi maliyetlerin çok daha az olması nedeniyle kutu profille yapılan işlerden takribi %25 daha ucuza mal olmaktadır. Profillerimiz Din normunda alaşımlı ve eloksal kapmalı ve et kalınlıkları makine sektörüne göre planlanmıştır. Metretül ağırlıklar piyasadaki göre ağır olup atalet momentleri buna göredir.
Ürün Tanıtım Videosu

Bu ürüne ilk yorumu siz yapın!
Tavsiye Ürünler