3 adet kauçuk tırnağı sayesinde sırt sırta karşılıklı kullanımından dolayı, başta yuvarlak yüzeyli şişeler olmak üzere, ürünleri sıkı tutarak kot farkı olan yüzeye çıkmasını ya da ürünün baş aşağı dönmesini sağlayan özel bir zincir ve bakla banttır.
Kauçuk bantın paslanmaz ve çelik zincir iletimini, poliasetal bakla ve kauçuk tırnaklar ise taşıma görevini sağlar.
Kauçuk bantın malzemesi çekilerek üretilmeyip kalıplı üretilmektedir. Bu yüzden mekanik değerleri yüksektir..
Alt poliasetal baklaya akıllı bir pim ile bağlı olması, gelecekteki duruş süresini kısaltmakta olup baklanın da tamamının atılmasını engellemektedir. Hızlı sök taka uygunluğu ile alternatiflerine göre çok daha hesaplı ve akıllı bir üründür.
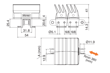
19.05mm hatveli zincir uzun ve hızlı hatlarda kararlı yapıyı destekler. Bu paslanmaz ve çelik zincirin yapısı piyasadaki alternatiflerine nazaran uzun ömürlüdür. Çünkü bu zincirler özel olarak bu bant için üretilmiştir. Kaz boynu konveyörlerde; şişe, varil, kutu taşıma ve şişe yıkama için kullanılan zincirlerdir.
Alt poliasetal baklaya akıllı bir pim ile bağlı olması, gelecekteki duruş süresini kısaltmakta olup baklanın da tamamının atılmasını engellemektedir. Hızlı sök taka uygunluğu ile alternatiflerine göre çok daha hesaplı ve akıllı bir üründür.
19.05mm hatveli zincir uzun ve hızlı hatlarda kararlı yapıyı destekler. Bu paslanmaz ve çelik zincirin yapısı piyasadaki alternatiflerine nazaran uzun ömürlüdür. Çünkü bu zincirler özel olarak bu bant için üretilmiştir. Kaz boynu konveyörlerde; şişe, varil, kutu taşıma ve şişe yıkama için kullanılan zincirlerdir.




Bu ürüne ilk yorumu siz yapın!
Tavsiye Ürünler